Futur nouveau logiciel tricot
Je « travaille » sur un nouveau logiciel tricot que vous pourrez utiliser grâce à votre abonnement sur https://logiciel.kit-tricot.com/
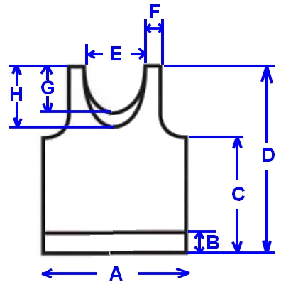
Ce sera un débardeur à bretelles de ce type :

Je suis en train de le tester avec le fil 100% bambou de Lammy
Et avec un nouveau point qui sera mis dans la bibliothèque de points tricot comme tous les autres. 😉
A suivre…